AUSLAUFMODELL
Wir empfehlen für Neukonstruktionen die technisch optimierte e-ketten®-Serie R4.80 aus dem igus® E4.1 Baukasten.
+25% mehr freitragende Länge, höhere Stabilität und Zugfestigkeit, gleiche Abmessungen und Anschlussmaße
Serie R98 ist in begrenzter Stückzahl ab Lager lieferbar. Der Produktsupport und die Lagerhaltung werden ab 2012 eingeschränkt. Bei Fragen dazu wenden Sie sich bitte an Ihren igus®-Ansprechpartner. Vielen Dank für Ihr Verständnis
zur Serie R4.80
Serie R98 - Rohr, geschlossen
1. KMA-Anschlußelemente
2. Anschlußelemente starr/pendelnd lieferbar
3. R98: Deckel schwenk- und entnehmbar
4. R98: Böden herausnehmbar
5. Rohr und Kette kombinierbar
6. Zugentlastungselemente integrierbar
7. 50/51: Stege beidseitig herausnehmbar
Lieferbare Innenbreiten: 75 bis 462 mm
Lieferbare Biegeradien: 200 bis 1000 mm
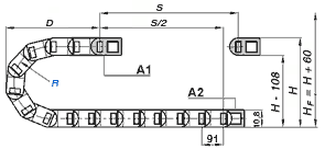
Teilung: 91 mm je Glied = 11 Glieder/m
A=Mitnehmer, B=Festpunkt
Teilung: 91 mm pro Glied
Glieder pro m: 11
Verfahrweg: S
Kettenlänge = S/2 + K
K = Zugschlag für Biegeradius bei der e-ketten Längenberechnung in mm
Hinweis: Kettenlänge für die Kettenglieder wird aufgerundet, da es keine halben Glieder gibt.