AUSLAUFMODELL
Wir empfehlen für Neukonstruktionen die technisch optimierte e-ketten®-Serie E2 Rohre, R68 new
Serie R68 alt ist in begrenzter Stückzahl ab Lager lieferbar. Der Produktsupport und die Lagerhaltung werden ab 2012 eingeschränkt. Bei Fragen dazu wenden Sie sich bitte an Ihren igus®-Ansprechpartner. Vielen Dank für Ihr Verständnis
Serie R68 neu - Rohr, im Außenradius zu öffnen
Serie R68 - Rohr, im Außenradius zu öffnen
1. Rundum geschlossen - Sehr guter Schutz von Leitungen und Schläuchen, auch vor heißen Spänen
2. Kleine Teilung für leisen, ruhigen Lauf
3. Außenradius Deckel herausnehmbar
zur E2 R Serie R68 new Lieferbare Innenbreiten Bi: 75 bis 175 mm
Lieferbare Biegeradien R: 100 bis 300 mm
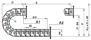
Teilung: 36 mm je Glied = 28 Glieder/m
A=Mitnehmer, B=Festpunkt
Teilung: 36mm
Glieder pro m: 28
Verfahrweg: S
Rohrlänge = S/2 + K
K = Zugschlag für Biegeradius bei der e-ketten Längenberechnung in mm
Hinweis: Kettenlänge für die Kettenglieder wird aufgerundet, da es keine halben Glieder gibt.